Audiomixer
Oktober 2018
Meine Suche gegen Ende 2018 nach einem Audiomischer mit 16 Ein- und 16 Ausgängen und vollständig analogen Signalweg war nicht so recht erfolgreich, zumindest nicht in dem angestrebten Preissegment. Dass die Projektkosten nachher dann doch darüber lagen spoiler ich jetzt mal einfach. Wenn es mir also nur darum gegangen wär einen 16 Kanal Mischer mit 8 Gruppen und per Netzwerk steuerbarer Lautstärke und Gruppenwahl zu haben, hätte ich mein Ziel nicht erreicht. Da dies aber eines der selteneren Projekte ist was nicht auf Off-The-Shelf Baugruppen basiert habe ich über die zwei Jahre einiges gelernt.
Meine Anforderungen an den Mischer waren:
- 16 (8 Stereo) Eingänge
- 16 (8 Stereo) Ausgänge
- 8 Gruppen
- Analoger Signalweg
- Teilweise per Netzwerk steuerbar
Unter 200€- Rackeinbau
- Nachträglich konfigurierbar
Verwenden möchte ich ihn zwischen Computer/TV, Plattenspielen, Kassettendeck, etc. und Verstärkern, Aufnahmegeräten usw.
Während dem Bau funktionierten hin und wieder Dinge nicht so wie erhofft. Ich dokumentiere hier trotzdem chronologisch und weise ggf. auf entstandene Probleme hin.
Ohne Strom kein Ton. Desshalb hab ich mit der Spannungsversorgung angefangen, naja und weil der Ringkerntrafo (Bezeichnung: “ISHIKITA 018-03791-572 ID JQH-03-21”) das einzige Bauteil war von dem andere Entscheidungen abhingen.
Diesen habe ich aus einem defekten DVD-Player mit 5.1 Verärker ausgeschlachtet. Das erste Bild zeigt eine der Platinen aus dem DVD-Player, die mit dem Trafo was zu tun hatten. Darauf ist ein Einschaltstrombegrenzer zu finden, da größere Ringkerntrafos schonmal damit Probleme machen. Desshalb habe ich den relevanten Teil der Platine nachgezeichnet und versucht ähnlich umzusetzen. Irgendwas wird der Hersteller sich ja schon dabei gedacht haben.
PDF Hier: dvdplayer_pwrsupply.pdf
Hier zu sehen ist einer der ersten Prototypen der Stromversorungsplatine. Ich glaube diese habe ich mit vier Exemplaren am öftesten geätzt. Der Netzspannung führende Teil wurde später auch auf eine eigene Platine ausgelagert, um in einem Plastikgehäuse Schutzisoliert untergebracht sein zu können, da das Metallgehäse des Mixers nicht zwangsläufig geerdet ist.
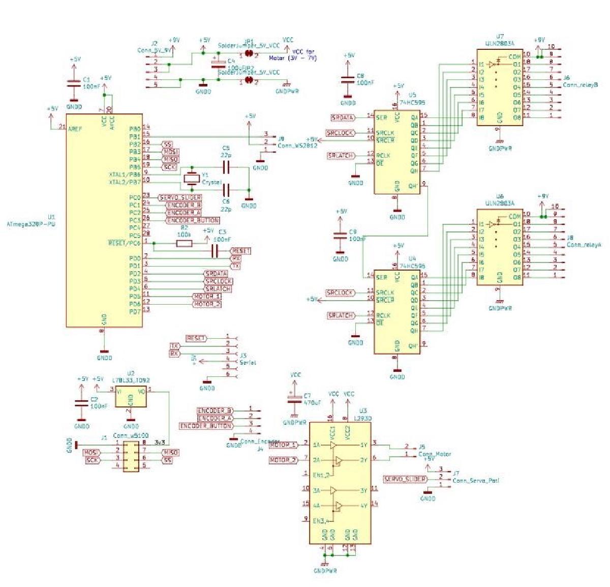
Zu der Schaltung später mehr. Wichtig ist hier, dass folgende Spannungen benötigt werden: +5V (Logikspannung Controller), +9V (Servomotor), -15V, +15V (Opamp)
Mit der Spannung am Start ging es an das Herz des Mixers, die Operationsverstärker.
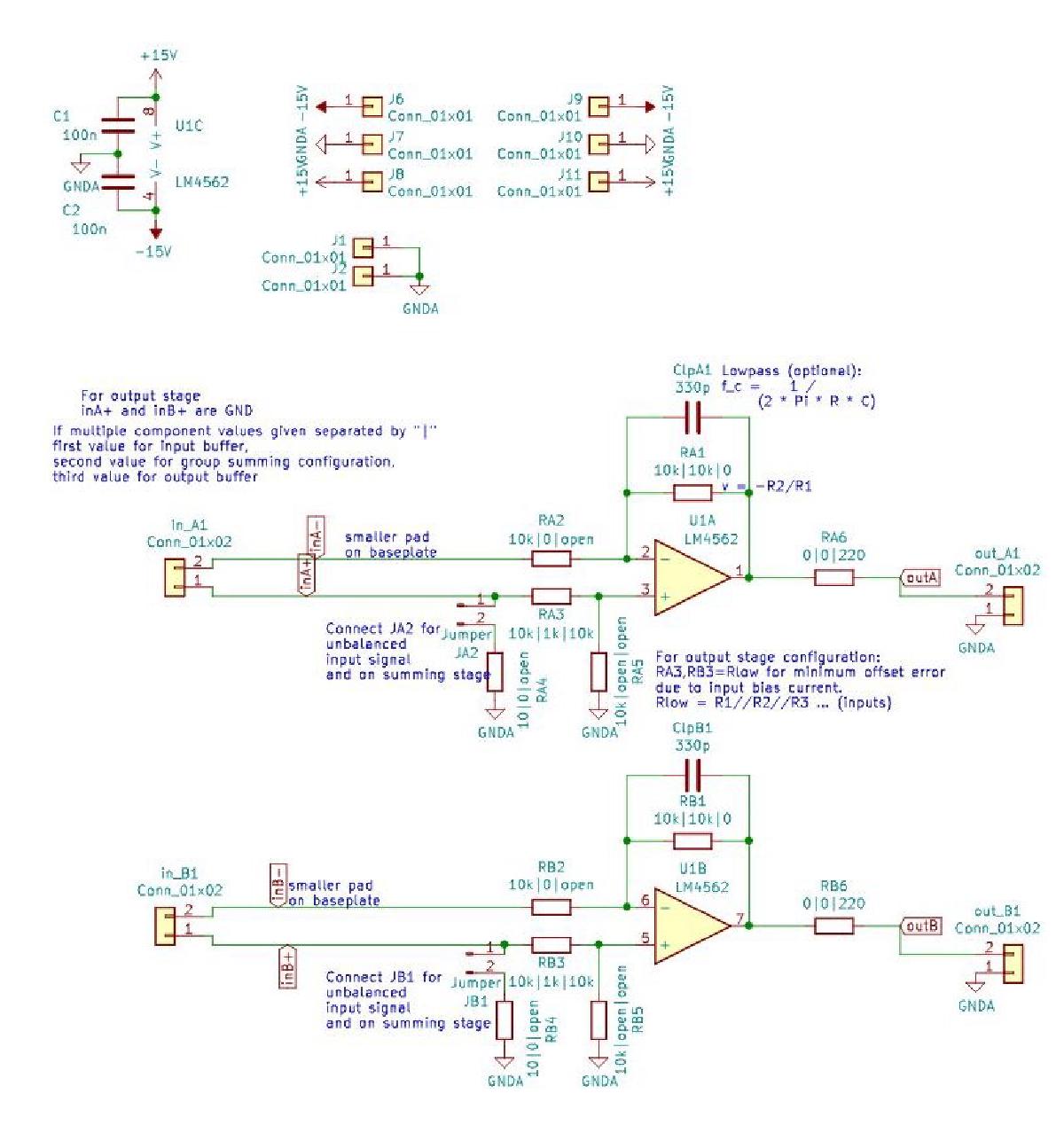
Das Signal eines jeden Kanals wird zuerst gepuffert. Nach einer ersten Lautstärkeanpassung mittels Potentiometer werden sie zu den jeweiligen Gruppen gemischt. Anschließend nochmal ein Opamp in der Funktion als Summierer. Nach Gruppenlautstärke, Gruppenauswahl und Hauptlautstärkeregler befindet sich direkt vor dem Ausgang ein weiterer Puffer.
Insgesamt benötigt das Projekt demnach 40 Operationsverstärker, wobei die verwendeten IC’s zwei pro Bauteil enthalten.
Zuerst wollte ich experimentel herausfinden, welchen Opamp ich verwenden möchte. Viele Audiomixer verwenden den NE5532A. In mehreren Foren las ich, dass der NE5532 rauscht und der LM4562 doch viel besser sei.
Mit 2,40€ ist dieser jedoch deutlich teurer als ein NE5532A mit 0,80€ pro Stück. Als Sanity-Check hab ich den Wald und Wiesen Opamp LM358 noch mit ins Rennen geworfen. Nicht für Audioanwendungen geeignet sollten hier die Messwerte deutlich schlechter sein, falls nicht hab ich falsch gemessen.
Um Rauschen, Frequenzgang und THD zu messen kam ein Focusrite Scarlett 6i6 USB sowie ein Rigol DG1022A Frequenzgenerator zum Einsatz.
Neben den drei Opamps wollte ich testen, welchen Einfluss verschiedene Kondensatortypen bzw. deren Kapazität auf diese Messwerte haben in der Verwendung als Tiefpassfilter.
Der Testaufbau umfasst zwei Opamps, wovon einer als Eingangspuffer dient und der zweite als Summierer verschaltet werden kann.
Ich fasse mal die Ergebnisse zusammen: THD+N von 0.5% beim LM358 (1kHz und 1VRms Pegel). LM4562 und NE5532A lagen beide bei 0.04% THD+N. Das Rauschen war bei allen drei ähnlich gering, falls ich es überhaupt gut genug messen konnte. Entscheidungsgrund für den teureren LM4562 war schlussendlich jedoch das Ein/Ausschaltverhalten. Hier gab der NE5532A ein hochfrequentes fiepen von sich wenn die Spannungs langsam sinkt, bzw ein kurzes fiepen beim Einschalten. Da ich die Ausgänge des Mixers nicht währen dieser Phasen von den Ausgangspuffern trennen kann und ich keine andere Lösung wusste fiel meine Entscheidung auf den LM4562, der hier keine Probleme machte.
Im Feedback der Pufferschaltung kann ein Kondensator als Tiefpassfilter eingebaut werden. Dabei las ich an vielen Stellen, dass Folienkondensatoren in Audioanwendungen den Keramikkondensatoren und Elektrolytkondensatoren zu bevorzugen sind. Getestet habe ich FKP2-630 FoKos in 150pF, 330pF und 680pF. Die Bandbreite reduzierte sich dabei von 73kHz auf 65kHz, 45kHz bzw 22kHz respektive. Rauschen und THD veränderten sich dabei kaum.
Ich entschied mich zuerst dazu, keine Tiefpassfilter zu verbauen. Später hab ich jedoch die 150pF Kondensatoren in den Summierern eingelötet, um eine permanente 6Mhz 50mVpp Schwingung zu eliminieren.
Der Mischer wird in einem 2HE Rackgehäuse Platz finden.
Das Frontpanel ging durch viele Iterationen und wurde dazu aus Pappelsperrholz gelasert. Hier eine frühe Version mit Schaltern als Kanalwahl.
Lautstärkeregler und Eingabemöglichkeit bildet ein Encoder mit Drucktaster. Den Drehknopf habe ich gedreht/gefräst und anschließend eloxiert.
Zur Abwechselung mal etwas, das so garnicht funktioniert hat. Um die Konfigurierbarkeit hoch zu halten habe ich zu Beginn die drei Schaltungen Inputbuffer, Summierer und Outputbuffer auf kleine Steckplatinen mit PCI-Express 1x Edgeconnector umgesetzt. Der Kontakt war dabei jedoch nicht ausreichend, sodass bei kleinen Bewegungen knacken und Rauschen zu hören war. Ein paar der Opamps sind dabei glaube ich sogar gestorben. Also war dieser Ansatz raus.
Aber es giebt ja genug Baustellen. Zum Beispiel die Stromversorgung.
Bei der Recherche, wie Hi-Fi Equipment zu Erden ist stieß ich auf die Information, dass diese Geräte nur an einer Stelle geerdet sein sollen, um Brummschleifen zu vermeiden. Oft sind Receiver durch ihren Antennenanschluss geerdet was dazu führt, dass alle damit verbundenen Audiogeräte selber nicht geerdet sein sollten.
Ein Blick zum Trafo und der Platine mit Einschaltverzögerung bereitete mir dann doch etwas Sorge. Die Lösung war hier den Netzspannungsführenden Teil mit einer Schutzisolierung zu versehen.
Hierzu teilte ich die Spannungsversorgung in 230V-Teil, Logikspannung (5V und 9V) und Opampspannung. Erstere kam in ein auf Nylonschrauben mit Plastikspacern montiertes ABS Gehäuse. Auch der Netzschalter an der Front wurde zusätzlich vom Gehäuse isoliert.
Das schwarze Bauteil neben dem Blauen MOV ist ein 33 Ohm 3,1 W NTC, der den Einschaltstrom begrenzt. Etwa eine Sekunde später wird über die 5V Spannung eine Relais geschaltet und überbrückt den NTC.
Nachdem das Audiosignal in die entsprechenden Gruppen gemischt wurde soll die Lautstärke zentral eingestellt werden können. Das ist auch die erste Komponente, die per Netzwerk gesteuert werden soll. Wer schon das folgende Foto im Augenwinkel gesehen hat ahnt es vermutlich schon. Ja, ein DIY Mehrkanalpotentiometer mit DC Getriebemotor. Acht der Potentiometer steuern die Lautstärke der acht Gruppen, das letzte dient als Feedback für die digitale Steuerung, welche einen Servomotor mit PI-Regelung implementiert. Der Motor ist mittels Grummischlauch als Rutschkupplung mit der Achse befestigt. Gerade beim Debuggen ist der Motor oft einfach weitergedreht und hätte bei starrer Montage irgendetwas durchgebrochen.
Unter der “Main Volume” Platine befindet sich die Kanalauswahl “Output Selector”. Jedem der acht Stereoausgänge können zwei Gruppen zugewiesen werden. Hierzu wird ein Kabel angelötet von z.B. “5A NC” (Ausgang 5 Links Normally Closed) auf eine der horizontalen Leiterbahnen 1-8, welche mit den Gruppen verbunden sind. Damit wäre es möglich in einem Surround Lautsprechersetup die hinteren Boxen auf den Front-Kanal zu legen. NC (Normally Closed) und NO (Normally Open) bezeichnen hierbei die Kontakte der NEC-EB2-12NU Relais. Diese wurden ebenfalls zum Stummschalten der Ausgänge auf der nachfolgenden Platine verwendet.
Als die Positionen der hinteren Anschlüsse feststanden konnten alle Löcher in das Blecht gebohrt werden.
Und nochmal zurück zu unserem Freund der Spannungsversorgung. Weil mal wieder alles fancyer wird als nötig bekamt die +-15V Platine noch eine Verteilung untendrunter. Von dort wurden die Opamp Platinen auf kürzestem Weg angelötet und von dort aus Daisychained.
Wie eben erwähnt waren die kleinen roten Platinen nicht so dufte mit der PCI-Express Steckerlösung. Daher ein Redesign, bei dem nur der Opamp gesteckt wird. Die drei Konfigurationen Inputbuffer “In”, Summierer “Sum” und Outputbuffer “Out” werden durch die Wahl der Komponenten umgesetzt. Der größte Unterschied ist hierbei in der Art der Signalreferenz zu finden. Während der Mixer intern das Signal relativ zu GND der +-15V Spannung sieht kann das Audiosignal von außen symmetrisch anliegen, wobei der invertierende Eingang des Opamps nicht mehr GND entspricht. Dies lässt sich beispielsweise durch einlöten eines Widerstandes festlegen.
Mit ein paar dieser Opamp-boards konnte ich endlich alle Stufen des Mixers testen. Und in diesem Zustand befand sich das Projekt eine ganze Weile. Nicht weil ich keine Lust hatte, sondern weil es so bereits in meine Soundinstallation integriert war. Immerhin konnte ich auf diese Weise im Betrieb die Firmware für den Controller auf Atmega328 Basis schreiben.
Die Netzwerkfunktion erreichte ich mit einem W5110 Ethernet Modul. Softwareseitig verwende ich eine Homie Implementation, welche mit dem TCP/IP Stack den kleinen Atmega doch recht gut füllte. Mit allem nötigen Steuerungscode für Lautstärkeservo und Relais sowie ein paar WS2812 LEDs als Statusanzeige war der Flashspeicher zu 99.8% voll. Und auch hier konnte ich wieder etwas lernen, nämlich wie Code optimiert werden kann.
Als Motortreiber kommt ein L293D zum Einsatz. 74HC595 Schieberegister dienen als Portextender und Schalten mittels ULN2803 die Relais. W5100 Ethernet Modul hab ich ja bereits geschrieben. Viel mehr ist das auch nicht.
Die RJ45 Buchse guckt hinten raus. Daneben befindet sich der FTDI Programmierheader.
Insgesamt zähle ich vier Massepotentionale. Schutzerde, Gehäuse, Analogmasse und Digitalmasse. Ob alle zusammen, die Erdung über ein anderes Gerät oder das Gehäuse überhaupt auf Massepotential liegen soll wollte ich zu diesem Zeitpunkt noch nicht festlegen. Desshalb kommen alle Potentiale an Schraubklemmen nach draußen. Nicht so gut zu erkennen sind im Bild die Plastikspacer um die drei rechten Schrauben.
Endspurt! Die Pappelsperrholzfront wird ersetzt durch die 4mm dicke Aluplatte, die bei dem Gehäuse dabei war. Löcher für die Potentiometer zu bohren war nicht so schwierig. Langlöcher für die acht LED Anzeigen ging mit der Fräuse auch ganz OK. Aber was hab ich mir eigendlich bei dem gelöcherten Kreis um den Encoder gedacht? Wie ein paar Bilder später zu sehn scheint dort von hinten durch eine Lightpipe aus Plexiglas farbiges Licht nach vorne und zeigt Hardwareseitig die Stellung des Servopotentiometers an. Was der Lasercutter so einfach machte erforderte an der manuellen Fräse etwas Präzision. Dank eines Drehtisches musste ich nicht alle ca. 80 Positionen über das DRO anfahren. Nachdem ich die drei abgebrochenen 0,8mm Bohrer auch wieder aus den Löchern geholt hatte war die Front fertig.
Die WS2812 LED’s habe ich extra auf eine eigene Platine umgelötet. Diese wird mit etwas Abstand hinter die Frontplatte montiert. Vier Distanzschrauben habe ich dafür mit Epoxydkleber auf das Aluminium geklebt.
Hier das besagte Servopoti mit Licht. Die Drehachse liegt direkt hinter dem Encoder. Die Drehung ist somit Konzentrisch zum Lochkreis.
Und ein finaler Blick von oben.
Zu schade, dass gleich nen Deckel drauf kommt und niemand das wunderschöne Innenleben zu Gesicht bekommt.
Welcher Eingang auf welche Gruppe(n) gemappt ist und zu welchen Gruppen die Ausgänge geschaltet werden können ist durch Umlöten von Widerständen bzw Kabeln nachträglich möglich. Letzteres bekommt sogar eine Wartungsöffnung.
Ab hier ist es dann nurnoch eine Blackbox.
Und da ich nach nem halben Jahr eh schon vergessen hab wo Kanal 1 anfängt kamen noch ein paar Labels drauf.
Unten rechts auch schön zu sehen die Massepotentiale. Von links nach rechts: Analogmasse, Digitalmasse, Schutzerde, Gehäuse. In diesem Fall sind alle durch einen Alukamm miteinander verbunden.
Das Hifi-Rack hat Befestigungsmöglichkeiten für 19" Gehäuse. Passt perfekt.
Dateien
- Repository: git.ctdo.de/interfisch/audiomixer
- Schematics: audiomixer_schematics_20201112.pdf





























































